Dowiedz się, jak skonfigurować szybkie I/O na sterowniku PLC od Unitronics w celu odbierania i generowania impulsów.
Zawartość wpisu
W tej lekcji omówiono zastosowanie szybkich wejść/wyjść dla sterowników PLC serii Vision i Samba. Używa się ich w celu odbierania lub generowania krótkotrwałych i częstych impulsów, których nie obsłużą standardowe I/O.
Efektem tego wpisu będzie prosta aplikacja pozwalająca na zmianę parametrów sygnałów generowanych na szybkim wyjściu oraz obsługę szybkiego wejścia.
Podczas tej lekcji poznasz zarówno sposób na wygenerowanie pożądanego sygnału PWM na wyjściu sterownika, jak i pomiar jego parametrów za pomocą szybkich wejść. Omówiono tu wykorzystanie szybkich I/O do zliczania ilości impulsów na wejściu oraz mierzenia ich częstotliwości.
Sterownikiem używanym w tym przypadku jest model serii SAMBA - SM70-J-T20. Oprogramowanie wykorzystywane do jego konfiguracji to VisiLogic. Aby wpis był uniwersalny oparto go o korzystanie z instrukcji użytkownika. Dla tego modelu można ją pobrać ze strony producenta lub elmark.com.pl - link poniżej.
Instrukcja użytkownika - SM70-J-T20
Podstawy korzystania z instrukcji użytkownika oraz mechanicznej konfiguracji I/O sterowników omówiono już w tej lekcji. Zaleca się zapoznanie z nią przed przystąpienie, do tej części kursu.
Szybkie I/O - konfiguracja wyjść tranzystorowych
Szybkie I/O w sterownikach PLC to tak zwane wyjścia tranzystorowe. Różnią się one od przekaźnikowych m. in. właśnie szybkością działania, obciążalnością oraz rodzajem przenoszonych sygnałów. Wyjścia tranzystorowe są szybsze, lecz przenoszą mniejsze prądy oraz nie można podłączyć ich do prądu zmiennego.
Schemat podłączenia wyjść tranzystorowych
Konfigurację wyjść tranzystorowych dla posiadanego PLC rozpoczynamy tradycyjnie już od przeglądu zawartości instrukcji użytkownika. Na stronie 9 widzimy, że PLC SM-70-J-T20 posiada 8 takich wyjść. Siedem z nich to złącza szybkie (oznaczane jako "HS" na tylnym panelu sterownika). Tej ostatniej informacji nie ma w instrukcji, należy ją odczytać wprost z tylnego panelu PLC.
Szybkie IO w PLC - schemat podłączenia wyjść tranzystorowych
Jak widać, aby wyjścia sterownika mogły przekazywać jakiekolwiek sygnały należy doprowadzić do nich osobne zasilanie 24V DC. Póki co, nie łączymy jeszcze obwodu, a jedynie skonfigurujemy wyjście O0 w odpowiedni sposób w VisiLogic.
Szybkie I/O - konfiguracja wyjścia PWM w VisiLogic
W naszym przypadku wyjście O0 ustawimy tak, aby generowało na swoim wyjściu sygnał PWM o zadanych parametrach.
Sygnał PWM to sygnał "prostokątny" zdefiniowany przez dwa parametry:
- częstotliwość (frequency) - jest o odwrotność okresu sygnału - czasu pomiędzy dwoma kolejnymi zboczami narastającymi sygnału;
- wypełnienie sygnału - (duty cycle) - podawany w procentach stosunek czasu, gdy sygnał jest "wysoki" do okresu trwania cyklu sygnału.
Trzeba jeszcze widzieć, że w oprogramowaniu VisiLogic wielkość Duty Cycle podaje się przemnożoną przez 10. Na przykład, 25% odpowiada wartości 250 parametry Duty Cycle, a 19.5% to 195.
Teraz należy otworzyć okno Hardware Configuration i wybrać model sterownika oraz posiadany zestaw Snap-In I/O (odnośnik). Nie zamykając tego okna, przechodzimy do ustawień posiadanego Snap-In I/O, do zakładki High Speed Outputs (PWM).
Szybkie IO w PLC - konfiguracja wyjścia PWM w VisiLogic
Jednostki częstotliwości sygnału PWM - plik help programu VisiLogic
Klikając w pole "Type" obok właściwego wyjścia (u nas to O0) można wybrać jedyną opcję - "High speed Output (PWM)". Dalej, użytkownik zostanie poproszony o zdefiniowanie 3 zmiennych, odpowiednio:
- zmiennej MI do przechowania wymaganej częstotliwości sygnału,
- zmiennej MI zawierającej parametr "Duty Cycle",
- bitu pamięci MB sterującego załączaniem generowania PWM.
Opisy można wybrać dowolnie, oraz zainicjalizować zmienne według potrzeb, na przykład jak na zdjęciu.
W jakich jednostkach należy wprowadzić częstotliwość? To zależy od rodzaju sterownika. Odpowiednie informacje można odczytać z plików pomocy (powyższe zdjęcie po prawej). Dla SAMBY SM70 to [Hz].
Według ustawień początkowych (zdjęcie wyżej, po lewej) zbocze narastające sygnału będzie generowane co 100 ms przez okres 50 ms.
Sterowanie pracą wyjścia PWM
Prosty program do obsługi wyjścia powinien umożliwiać użytkownikowi co najmniej:
- włączenie/wyłączenie wyjścia szybkiego (HSO),
- zmianę parametrów sygnału PWM z poziomu HMI.
Poniżej zaprezentowano schemat drabinkowy i ekran HMI, zaprojektowane w celu spełnienia powyższych założeń. Co więcej, zmiana parametrów sygnału PWM jest możliwa tylko przy wyłączonym wyjściu.
Proste sterowanie wyjściem dyskretnym PWM
Ekran HMI do sterowania pracą wyjścia PWM
W celu przypisania nowych wartości częstotliwości sygnału PWM i jego wypełnienia utworzono dwie nowe zmienne MI. Na powyższym zdjęciu, po lewej, pełnią one rolę parametrów wejściowych do bloczków "Store Direct". Stosuje się je w celu kopiowania wartości z jednej zmiennej do drugiej.
Dodano również dwa bity MB pozwalające na załączanie oraz zapis wyżej wymienionych parametrów. Nowe bity (MB1 i MB2) przypisano odpowiednio do przycisków "Start/Stop HSO" i "Write Parameters" na ekranie HMI (powyższe zdjęcie, po prawej). Odpowiednie nowe zmienne MI przypisano natomiast do elementów "Number" na HMI.
Cały program będzie dostępny do pobrania na końcu wpisu.
Szybkie I/O - konfiguracja wejść HSC
Szybkie I/O sterowników PLC od Unitronics serii Samba i Vision zawierają dwa rodzaje wejść: "High Speed Inputs" oraz "High Speed Inputs (Reload)". Co więcej, na tylnym panelu sterownika są one fizycznie reprezentowane przez te same wejścia. O tym, w jakim trybie pracują, decyduje już sam program w VisiLogic.
Sprzętowa konfiguracja wejść HSC
Rozmieszczenie tych wejść na tylnym panelu PLC odczytujemy z instrukcji (strona 8). Dodatkowo, należy się upewnić, że wszystkie wejścia pracują jako PNP (więcej o tym w tej lekcji), poprzez ustawienie odpowiedniej zworki, według tabeli ze strony 7.
Szybkie IO w PLC - schemat podłączenia wejść HSC - High Speed Counter
Ustawienie zworek dla wejść dyskretnych
Standardowo, wejście HSC (High Speed Counter) pracuje jako licznik impulsów. Dodatkowo, dla każdego wejścia HSC można ustawić obsługę sygnału "Resetu". Wtedy, po pojawieniu się sygnału wysokiego na złączu "B" danego wejścia, jego licznik jest resetowany (każde wejście HSC ma dwa piny - A i B).
Proste wejście "High Speed Inputs" w VisiLogic
W celu jego konfiguracji, należy przejść do okna Hardware Configuration, do ustawień posiadanego Snap-In I/O, a następnie - do zakładki "High Speed Inputs".
Na potrzeby tej lekcji, ustawimy wejście HSC 0, by pracowało jako licznik impulsów z obsługą resetu, reagujący na narastające zbocze sygnału. W tym celu, w polu "Type" z rozwijanej listy należy wybrać pozycję "High Speed Counter with Reset (Odd input Active High)". Użytkownik zostanie poproszony o zadeklarowanie zmiennej MI do przechowywania wartości licznika (poniższe zdjęcie po lewej).
Miernik częstotliwości na wejsciu HSC
Dodatkowo, dla tego typu wejścia można dodać pomiar częstotliwości na jego wejściu (powyższe zdjęcie, po prawej). Wystarczy rozwinąć drugie z pól "Type" dla danego wejścia HSC. Tam, do wyboru dostępnych jest kilka mierników, które różnią się wartością czasu podaną na końcu ich nazwy.
Ta wartość czasu to okres, w którym zliczane są impulsy wykorzystywane później do obliczenia częstotliwości. Niezależnie od tego wyboru, sterownik PLC konwerteruje potem wynik do [Hz]. Wybór ten wpływa na odstęp pomiędzy kolejnymi odczytami.
Dodajmy jeszcze tylko kilka elementów na HMI (typu: "Text", "Number") prezentujących informacje pochodzące z tego wejścia.
Ekran HMI prezentujący dane z wejścia HSC 0
Wejścia High Speed Inputs (Reload)
Wejścia te również pracują jako liczniki impulsów, lecz posiadają możliwość wyznaczenia limitu dla licznika, po przekroczeniu którego jego wartość ulegnie zresetowaniu. Co więcej, wejścia te posiadają następujące cechy:
- Po pierwsze, opcję resetu można blokować programowo - użytkownik deklaruje odpowiedni bit MB ("Enable Reload"), którego wartość niska wyłącza opcję resetu.
- Po drugie, do kolejnego bitu MB ("Reload Event") zapisywana jest wartość wysoka, na okres pojedynczego skanu programu, po wystąpieniu przeładowania danego licznika.
- Limit impulsów dla danego wejścia określa się na dwa sposoby ("na sztywno" lub za pomocą zmiennej MI). Reset nastąpi jednak tylko, jeśli opcja resetu (wyżej wspomniany bit "Enable Reload") jest odblokowana.
- Ten typ wejścia nie obsługuje natomiast mierzenia częstotliwości.
Tak więc, do każdej deklaracji tego typu wejścia, użytkownik musi przypisać 4 różne zmienne w oknie Hardware Configuration.
Na potrzeby lekcji, skonfigurujemy wejście HSC 1, aby pracowało jako licznik impulsów wzbudzany zboczem narastającym sygnału z opcją resetu na złączu "B". Co więcej, jego limit zostanie ustalony stałą wartością 150 impulsów. W tym celu należy przejść do ustawień posiadanego Snap-In I/O do zakładki "High Speed Inputs (Reload)". Potrzebne ustawienia pokazane są na poniższym zdjęciu (po lewej).
Konfiguracja wejścia HSC 1 - Reload
Proste sterowanie wejściem HSC 1
Jako, że mamy tu bit służący do sterowania tym wejściem, możemy napisać prostą logikę odblokowującą/blokującą możliwość resetu licznika. Na potrzeby tego zadania utworzono dodatkowy bit "MB5" (powyższe zdjęcie, po prawej).
Teraz trzeba już tylko dodać na panelu HMI odpowiedni przycisk sterujący wejściem HSC 1 oraz elementy zbierające z niego dane - status opcji resetu i wartość licznika.
HMI sterujący i prezentujący dane z wejścia HSC 1
Prezentacja aplikacji
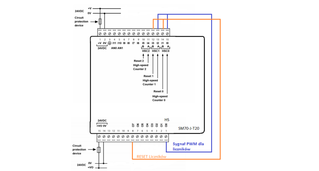
Do ukończenia całej aplikacji obsługującej szybkie I/O dla PLC od Unitronics, musimy jeszcze tylko dodać sterowanie jednym z wyjść (zwykłych tranzystorowych) do resetowania dwóch liczników (HSC 0 i HSC 1). Z tego wyjścia nadawany będzie sygnał wysoki, wzbudzający złącza "B" wejść HSC 0 i HSC 1, które służą do resetowania wartości liczników.
Na potrzeby zadania skonfigurowano wyjście O7. Dokonuje się tego w oknie Hardware Configuration -> posiadane Snap-In I/O -> "Digital Outputs". Następnie dodano jeden prosty poziom w logice sterownika, sterujący tym wyjściem. Zamieszczono również odpowiedni przycisk na HMI.
Szybkie IO dla PLC - konfiguracja dyskretnego wyjścia resetującego liczniki HSC

Teraz, należy odpowiednio połączyć I/O sterownika, według poniższego schematu.

Poniższy krótki film pokazowy prezentuje aplikację pod kątem:
- sterowania pracą wyjścia PWM - zmiana częstotliwości sygnału;
- pomiaru parametrów wyjścia PWM za pomocą wejścia HSC 0 - licznik impulsów + miernik częstotliwości;
- obsługi wejścia HSC 1 - blokowanie/odblokowywanie opcji resetu.
Prezentacja aplikacji
Podsumowanie
Aby uzyskać dostęp do większej liczby lekcji, powróć na stronę startową kursu.
Jeśli masz pytania, skontaktuj się z nami pod adresem e-mail: sterowniki@elmark.com.pl . Chętnie wysłuchamy również każdą konstruktywną krytykę na temat jakości tego kursu.






