Decydując się na zakup przemysłowego zasilacza na szynę DIN niejednokrotnie zadajemy sobie pytanie – który model wybrać?
Oferta handlowa tej grupy układów jest na tyle szeroka, że dobór jedynie na podstawie mocy oraz napięcia okazuje się być niewystarczający, ponadto coraz częściej wymaga się również redundancji systemów zasilania. Wobec takiej liczby wymagań, jak można dobrać optymalny zasilacz?
Znacznie ułatwi nam w tym dedykowana wyszukiwarka zasilaczy MEAN WELL. Umożliwia wybór parametrów urządzenia (moc, napięcie, zakres temperatur) i dodatkowch funkcji.

Określenie wymaganych parametrów
Określenie parametrów pracy oraz funkcji wbrew pozorom nie zawsze okazuje się być proste. Zasilacz przemysłowy w odróżnieniu od standardowego przeznaczonego do użytku w aplikacjach konsumenckich powinien charakteryzować się odpornością na trudne warunki środowiskowe, znaczne wahania temperatur, skokowe zmiany napięcia wejściowego, czy też pracę w środowisku silnie zakłócanym. Wymienione aspekty wpływają bezpośrednio na sposób wykonania takiego urządzenia.
Podczas wyboru zasilacza warto zwrócić uwagę na kilka kluczowych parametrów. Oczywiście pierwszym jest odpowiednia wartość mocy oraz napięcia. Moc zasilacza powinna być większa o około 30% od mocy obciążenia (przy obciążeniu 100W zasilacz powinien mieć minimum 130W mocy wyjściowej). W ten sposób zwiększamy niezawodność zasilania w całym systemie. Jeśli moc zasilacza będzie za mała, prąd wyjściowy przekroczy wartość znamionową i nastąpi aktywacja zabezpieczenia przeciążeniowego (overload protection):
- ograniczenia stałoprądowego (constant current limiting),
- praca w trybie Hiccup,
- całkowite wyłączenie (shut-down).
Rodzaj zabezpieczenia przeciążeniowego stanowi istotną kwestię pod kątem doboru obciążenia. Przykładowo, jeśli odbiornik ma nieliniową charakterystykę prądowo-napięciową, wówczas podczas rozruchu może wystąpić skokowy wzrost poboru prądu co tym samym spowoduje aktywację zabezpieczenia przeciążeniowego. Jeśli nie jest ona realizowana jako ograniczenie stałoprądowe wówczas podłączone urządzenie najprawdopodobniej nie uruchomi się. Wbrew pozorom odbiorników tego typu jest wiele np. elementy indukcyjne jak siłowniki, przekaźniki lub popularne żarówki halogenowe. W praktyce może więc dojść do sytuacji, w której po podłączeniu żarówki 20 W 12 V, zasilacz 30 W 12 V nie jest w stanie jej zaświecić. Zostało to pokazane na schemacie:

W części charakterystyki B zadziałało ograniczenie stałoprądowe. Dalsze obciążenie i obniżenie napięcia znamionowego skutkuje uruchomieniem zabezpieczenia HICCUP (fragment C wykresu) z pulsującą wartością prądu i napięcia.
Kolejnym parametrem jest sprawność zasilacza – określająca stosunek mocy wyjściowej do wejściowej wyrażona w procentach. Podczas zakupu warto zwrócić na nią szczególną uwagę, gdyż niektóre parametry zasilacza są od niej również uzależnione. Większa sprawność tym mniejsze są straty cieplne. Skutkują one obniżeniem temperatury wewnątrz zasilacza. Mniejsza temperatura wydłuża natomiast czas bezawaryjnej pracy. Jest to pewnego rodzaju system naczyń połączonych w których jeden parametr wpływa pośrednio na pozostałe. Rzeczą oczywistą wydaje się również zależność między sprawnością, a mocą. Porównując dwa zasilacze o takim samym prądzie wyjściowym, lecz o różnych mocach, wyższą sprawność uzyska „mocniejszy” zasilacz.
Kolejną istotną kwestią przy wyborze zasilacza jest dopuszczalny zakres temperatur pracy. Jest to szczególnie istotne, przy pracy w zmiennych warunkach środowiskowych. Jeśli użyjemy zasilacza w innym zakresie temperatur niż podane w specyfikacji, mogą wystąpić problemy z uruchomieniem, a nawet jego uszkodzenie. Zbyt wysoka temperatura skraca żywotność urządzenia oraz prowadzi do uszkodzenia wewnętrznych elementów elektronicznych. Istotnym faktem o którym należy wspomnieć jest zależność prądu wyjściowego w funkcji temperatury. Warto dokładnie sprawdzić specyfikację techniczną w poszukiwaniu tej charakterystyki, gdyż może się okazać, że pracując już przy temperaturze 50°C, należy ograniczyć prąd wyjściowy do 70–80% wartości znamionowej (tzw. derating). Takie działanie ma na celu zabezpieczenie zasilacza przed przegrzaniem.

Zasilacze przemysłowe jednofazowe i trójfazowe
Zasilacze przemysłowe muszą być również przystosowane do pracy w szerokim zakresie napięć wejściowych. Mowa tu nie tylko o zasilaniu jednofazowym, lecz również międzyfazowym czy trójfazowym. Zasilacze przemysłowe marki MEAN WELL spełniają te kryteria.
W ofercie znaleźć można m.in.:
- Nowe serie zasilaczy jednofazowych XDR-E oraz serię High-Performance XDR,
- Serię zasilaczy 1/2 fazowych WDR o napięciach wejściowych z przedziału 180–550 VAC,
- Nową serię zasilaczy trójfazowych XTR 320–600 VAC lub sprawdzoną serię TDR 340–550 VAC.
Nowe serie posiadają lepsze parametry pracy od poprzedników (sprawność, przekaźniki poprawnej pracy itp.). Szczegóły w dedykowanym artykule.
Jakość zasilaczy potwierdza długi okres gwarancji nawet do 5 lat, a także zgodność z szeregiem norm i certyfikatów. MEAN WELL udziela pełnego dostępu do dokumentacji technicznej udostępniając specyfikację, raporty z testów dla wszystkich modeli serii, certyfikaty, modele 3D oraz instrukcje manual. Można je odnaleźć kolejno w zakładkach specyfikacji, np. XTR-480:
Jako autoryzowany dystrybutor posiadamy własny serwis (na miejscu w Warszawie), a także oferujemy bezpłatne wsparcie techniczne dla naszych klientów.
Wśród bogatej oferty urządzeń zasilających MEAN WELL - jednego ze światowych liderów w produkcji zasilaczy impulsowych, możemy znaleźć wiele serii niezawodnych zasilaczy na szynę DIN o mocy do 150W takich jak popularne zasilacze HDR, MDR w plastikowych, kompaktowych obudowach.
Dla większych mocy (od 75W do 480W) polecamy zasilacze dedykowane do większych rozdzielnic takie jak modele z serii EDR oraz NDR. Jeśli takie parametry pracy są niewystarczające można zastosować modele ze sprawdzonej w trudnych warunkach serii SDR do 960W z możliwością połączenia równoległego w celu zwiększenia mocy wyjściowej.
Zasilacze buforowe
Ważną rolę w systemach zasilających odgrywają również zasilacze buforowe. Chwilowy zanik napięcia podczas trwania procesu produkcyjnego może spowodować nawet kilkugodzinny przestój w zakładzie, pociągając jednocześnie za sobą straty finansowe, dlatego też w systemach automatyki coraz częściej stosuje się również zasilacze z wbudowanym akumulatorem lub możliwością jego podłączenia. Są one wykorzystywane w celu zapewnienia ciągłości zasilania chronionych urządzeń i co za tym idzie, ochrony przed skutkami ewentualnego zaniku napięcia.
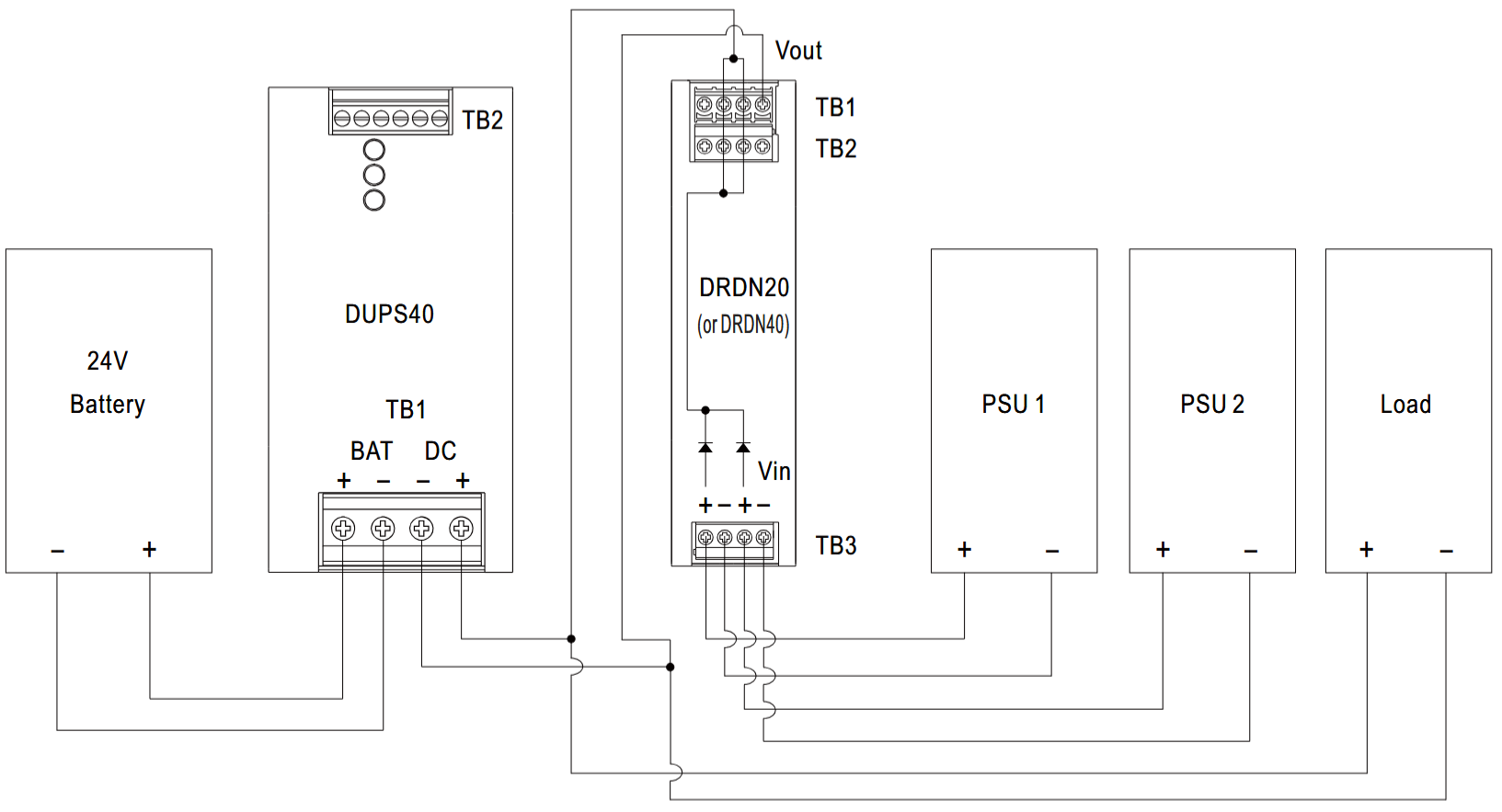
W tego typu aplikacjach znakomicie sprawdzą się urządzenia serii DRS, DRC, DRDN20, DUPS40, oraz DBUF20 . Moduł DUPS posiada układ ładowania akumulatora oraz przekaźniki poprawnej pracy. Umożliwia budowę systemu zasilania redundantnego z wykorzystaniem dodatkowego akumulatora oraz zasilacza. Maksymalna moc takiego systemu może wynosić do 960 W co jest wartością wystarczającą np. dla systemów telekomunikacyjnych czy teleinformatycznych. Przykładowy schemat takiego rozwiązania przedstawiono poniżej.

Zasilacz podłączony jest równolegle z obciążeniem oraz modułem DUPS. W trakcie normalnej pracy jednocześnie dostarcza prąd odbiornikowi oraz następuje doładowywanie akumulatora. Stan pracy układu sygnalizowany jest za pomocą złączy przekaźnikowych umieszczonych w górnej części modułu, dzięki czemu operator systemu może być natychmiast powiadomiony o przełączeniu zasilania na pracę akumulatorową (battery discharge), rozładowaniu akumulatora poniżej 21,9 V lub jego uszkodzeniu (battery fail), oraz o prawidłowym napięciu (DC bus ok). Schemat z rysunku przedstawia możliwie najprostszy układ redundancji. Jeśli użytkownik ma do dyspozycji dwa niezależne źródła zasilania lub chce uniezależnić działanie systemu od ewentualnej awarii zasilacza, wówczas przy wykorzystaniu modułu DRDN20 można jeszcze bardziej zwiększyć niezawodność przy wykorzystaniu redundancji 1+1 (zastosowanie dwóch zasilaczy, spośród których w razie awarii wystarczy jeden przejmujący pełne obciążenie) lub 1+N. Schemat układu z dwoma niezależnymi zasilaczami przedstawiono poniżej.

Przykładem kompleksowego rozwiązania łączącego zasilacz oraz układ ładowania akumulatora w jednej obudowie jest seria DRC. Zasilacze te oprócz wyjścia podstawowego posiadają dodatkowe do ładowania akumulatora, pozwalając użytkownikowi na utworzenie bezprzerwowego systemu zasilania. Dodatkowo zabezpieczenia przed rozładowaniem oraz odwrotnym podłączeniem akumulatora zwiększają bezpieczeństwo całego układu. Modele występują w wersjach o mocy 40, 60, 100 i 180W, zaś napięcia wyjściowe są dostosowane do pracy w systemach 12 VDC (wersja A) oraz 24 VDC (wersja B). Seria DRC przeznaczona jest do systemów zabezpieczeń, awaryjnego oświetlenia, systemów alarmowych, monitoringu czy kontroli dostępu.
Jeśli podtrzymywany układ posiada większe zapotrzebowanie mocy lub chcemy odczytywać/ustawiać parametry urządzenia odpowiednim wyborem będzie seria DRS. Umożliwiają wybór 2/3 stopniowej krzywej ładowania (za pomocą DIP - switch). Posiadają przekaźniki zaniku napięcia sieciowego, niskiego napięcia baterii, poprawności ładowania oraz możliwość testu baterii za pomocą przycisku. Zestawienie funkcjonalności obrazuje rysunek:

Te zaawansowane urządzenia posiadają wbudowany protokół komunikajcyjny MODBUS RTU, który pozwala na odczyt i ustawienie parametrów pracy. Wersje z wbudowanym protokołem CANBUS umożliwiają dodatkowo zaprogramowanie krzywej ładowania za pomocą wygodnej aplikacji przy wykorzystaniu zewnętrznego programatora SPB-001 (link do pobrania). Dostępne są one w 4 wersjach napięciowych (12, 24, 36, 48 V) dla mocy 240W i 480W.
Rozwiązaniem na krótkotrwałe przerwania i spadki napięć (rzędu części sekundy) są moduły buforowe wykorzystujące kondensatory DBUF20 i DBUF40, do pracy w systemach 24 VDC. Umożliwiają one pracę w trybie buforowym bez jakiegokolwiek zaniku zasilania podczas przełączania. Wyposażone są w przekaźniki informujące o ładowaniu i gotowości do pracy.
Podsumowanie
Temat zasilaczy przemysłowych obejmuje wiele aspektów technicznych, stąd też wybór odpowiedniego rodzaju zasilacza zależy od docelowej aplikacji, w której ma być użyty. Zawsze jednak warto zwracać uwagę na kilka podstawowych parametrów takich jak: sprawność, zakres temperatur pracy oraz charakterystyka obciążenia w funkcji temperatury, rodzaj wbudowanych zabezpieczeń oraz wymiary. Jeśli mimo to nie mamy pewności czy w danej aplikacji możemy zastosować dany zasilacz zapraszamy do kontaktu na zasilacze@elmark.com.pl lub telefonicznie, a udzielimy fachowej porady.


