Spis treści
Powrót do Akademii falowników Unitronics
Co to jest STO?
Funkcja STO (Safe Torque Off) jest to funkcja bezpiecznego wyłączenia momentu obrotowego silnika elektrycznego. W falownikach za realizację są odpowiedzialne wejścia STO wbudowane na stałe lub w specjalnie dołączanych kartach. W przemiennikach Unitronics są one wbudowane na stałe.

Budowa i sposób działania wejść STO
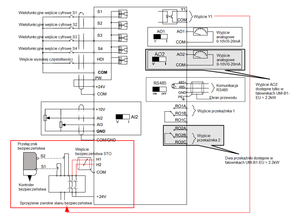
Wyjścia przekaźnikowe w falownikach Unitronics zostały przedstawione na schemacie poniżej:

Funkcja STO ta jest domyślnie aktywna, a wejścia ją obsługujące to +24V, H1 oraz H2. Falownik będzie działał poprawnie, jeśli na wejścia H1 oraz H2 będzie podawany sygnał wysoki. To właśnie to jest powodem, że domyślnie są wstawione 2 zworki. Tabela logiki działania funkcji STO prezentuje się następująco:

Podłączenie przycisku bezpieczeństwa do STO
Do wejść STO falownika najczęściej jest podłączany przycisk bezpieczeństwa zwany potocznie grzybem. Dzieje się tak dlatego, że po aktywacji funkcji następuje szybkie zatrzymanie pracy silnika.
Nasz przycisk będzie posiadał 2 niezależne pętle normalnie zamknięte (NC). Jedna z nich zostanie podłączona między zaciski +24V – H1, a druga do zacisków +24V – H2. Przed podłączeniem przycisku należy wyjąć zworki.

Teraz już nasz przycisk będzie działał. Nie jest konieczna zmiana żadnych parametrów w falowniku. Po wciśnięciu przycisku pojawi się błąd “STO” na wyświetlaczu. Będzie się on również wyświetlał po zwolnieniu przycisku. Uruchomienie silnika będzie możliwe dopiero po zresetowaniu błędu za pomocą przycisku STOP/RST dostępnego na panelu sterowania.

Automatyczny powrót falownika do trybu pracy po przywróceniu sygnału na wejściach STO
Jeśli chcemy, żeby nasz falownik wrócił do pracy od razu po zwolnieniu grzyba należy wartość parametru P11.16 zmienić na 100. W tym parametrze cyfra setek odpowiada funkcji STO, gdzie ta może zostać uruchomiona bez blokady, czyli nie musimy kasować błędu. Zmiana wartości parametru spowoduje to, że po zwolnieniu podłączonego przycisku błąd zniknie, a my będziemy mogli kontynuować pracę.
Lista kontrolna poprawności zainstalowania STO
Poniżej znajduje się lista kontrolna dostępna w instrukcji użytkownika, na podstawie której możemy stwierdzić czy system bezpieczeństwa w falowniku został poprawnie zainstalowany:
- Upewnij się, że napęd można swobodnie wystartować oraz zatrzymać w trybie pracy;
- Zatrzymaj napęd (jeśli jest uruchomiony), odetnij zasilanie i odizoluj przewód zasilający od falownika przy pomocy bezpiecznika;
- Sprawdź połączenie obwodu STO ze schematem;
- Sprawdź, czy ekran przewodu wejściowego STO jest uziemiony;
- Włącz zasilanie falownika;
- Sprawdź działania funkcji STO podczas pracy silnika:
- Zatrzymaj silnik przy pomocy zwykłego polecenia zatrzymania (jeśli pracuje) i poczekaj, aż wał silnika się zatrzyma;
- Aktywuj funkcję STO i uruchom silnik. Upewnij się, że silnik pozostaje w bezruchu;
- Dezaktywuj obwód STO i Zresetuj błąd STO przyciskiem RST;
- Uruchom napęd i sprawdź, czy silnik działa poprawnie;
- Sprawdź działania funkcji STO podczas pracy silnika:
- Uruchom napęd (jeśli nie pracuje);
- Aktywuj obwód STO;
- Zobacz czy na przemienniku wyświetla się błąd „Sto”. Upewnij się, że silnik zatrzymał się;
- Dezaktywuj obwód STO;
- Zresetuj błąd STO przyciskiem RST;
- Uruchom ponownie napęd i sprawdź, czy silnik pracuje poprawnie.
Jeśli masz jakieś pytania związane z przemiennikami częstotliwości, problem z konfiguracją lub doborem zapraszamy do kontaktu sterowniki@elmark.com.pl
Wideo-poradnik
Zewnętrzne zasilanie wejść STO
UWAGA! Korzystanie z zewnętrznego zasilania w przypadku STO wykonywane jest na wałasne ryzyko. Wbudowane przekaźniki w wejściach STO są certyfikowane tak jak i wewnętrzne stabilne zasilanie +24V DC. W miarę możliwości należy unikać tego rozwiązania.
Aby skorzystać z zewnętrznego zasilania na wejściach STO należy:
- Odłączyć wszystkie 3 zworki;
- Na port COM podać „0V” z zewnętrznego zasilacza;
- Wejścia H1 i H2 należy podłączyć do źródła sygnału bezpieczeństwa, np. przycisk bezpieczeństwa tzw. „grzybek”
- +24V z zewnętrznego zasilania podać na źródło sygnału bezpieczeństwa
Przykładowy schemat połączenia poniżej:

Powrót do Akademii falowników Unitronics









